液压之家欢迎您[ 会员登录 ] [ 立即注册 ]
13928285812

购物车0

您购物车为空,赶紧选购吧!
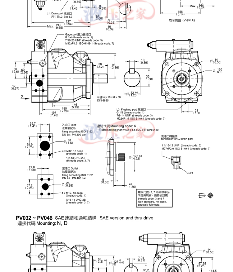
PV032~PV046
PV032~PV046
<
>
PV032~PV046
商品总价
(会员等级价V)
普通会员: ¥0.0
近期销售量0 用户评价:comment rank 5()
浏览历史 [清空]
V15、V18
¥0.0

商品描述

商品属性

商品标签

用户评论(共0条评论)

  • 暂时还没有任何用户评论
总计 0 个记录,共 1 页 第一页 上一页 下一页 最末页
用户名: 匿名用户
E-mail:
评价等级:
评论内容:
验证码: captcha
广告说明